JK-50MTDP

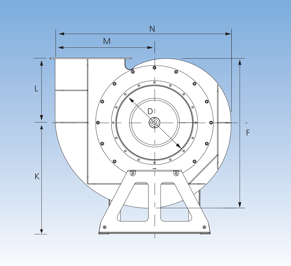
The direct drive centrifugal fan types JK-30MTDP, JK-40MTDP and JK-50MTDP are designed for material transport, e.g. wood chips and dust.

Equipped with backward-inclined blades and aerodynamic inlet spigot made from brass.

The impellers are statically and dynamically balanced.

Normally, a frequency transformer is used to control the min-1 and the air volume of the fan.

Max. internal operating temperature: 60°C

The inlet (D) is supplied with flange as standard.

Category Position

Name: File type: Size:
jk50mtdp_22kw_ln.dwg .dwg 0.53 mb
Category Position

Name: File type: Size:
jk50mtdp_22kw_lno.dwg .dwg 0.63 mb
Category Position

Name: File type: Size:
jk50mtdp_22kw_lnv.dwg .dwg 0.62 mb
Category Position

Name: File type: Size:
jk50mtdp_22kw_lo.dwg .dwg 0.52 mb
Category Position

Name: File type: Size:
jk50mtdp_22kw_lsv.dwg .dwg 0.61 mb
Category Position

Name: File type: Size:
jk50mtdp_22kw_lv.dwg .dwg 0.52 mb
Category Position

Name: File type: Size:
jk50mtdp_22kw_rn.dwg .dwg 0.53 mb
Category Position

Name: File type: Size:
jk50mtdp_22kw_rno.dwg .dwg 0.62 mb
Category Position

Name: File type: Size:
jk50mtdp_22kw_rnv.dwg .dwg 0.63 mb
Category Position

Name: File type: Size:
jk50mtdp_22kw_ro.dwg .dwg 0.52 mb
Category Position

Name: File type: Size:
jk50mtdp_22kw_rso.dwg .dwg 0.61 mb
Category Position

Name: File type: Size:
jk50mtdp_22kw_rv.dwg .dwg 0.63 mb

Category Position

Name: File type: Size:
jk50mtdp_22kw_ln.stp .stp 6.57 mb
Category Position

Name: File type: Size:
jk50mtdp_22kw_lno.stp .stp 6.16 mb
Category Position

Name: File type: Size:
jk50mtdp_22kw_lnv.stp .stp 6.14 mb
Category Position

Name: File type: Size:
jk50mtdp_22kw_lo.stp .stp 6.45 mb
Category Position

Name: File type: Size:
jk50mtdp_22kw_lsv.stp .stp 6.09 mb
Category Position

Name: File type: Size:
jk50mtdp_22kw_lv.stp .stp 6.25 mb
Category Position

Name: File type: Size:
jk50mtdp_22kw_rn.stp .stp 6.64 mb
Category Position

Name: File type: Size:
jk50mtdp_22kw_rno.stp .stp 6.78 mb
Category Position

Name: File type: Size:
jk50mtdp_22kw_rnv.stp .stp 6.85 mb
Category Position

Name: File type: Size:
jk50mtdp_22kw_ro.stp .stp 6.83 mb
Category Position

Name: File type: Size:
jk50mtdp_22kw_rso.stp .stp 6.08 mb
Category Position

Name: File type: Size:
jk50mtdp_22kw_rv.stp .stp 6.98 mb


Name: File type: Size:
Hoyer_Motor_Manual.pdf .pdf 1.95 mb

Name: File type: Size:
User_manual.pdf .pdf 3.78 mb

Name: File type: Size:
mont_jk50mtdp_22kw.pdf .pdf 3.08 mb
Fan systems brochure
JK-50MTDP data sheet

Read all about JK-50MTDP

Fan systems brochure
JK-50MTDP data sheet

Read all about JK-50MTDP

Product Position

Name: File type: Size:
jk50mtdp_22kw_ln.dwg .dwg 0.53 mb
Product Position

Name: File type: Size:
jk50mtdp_22kw_lno.dwg .dwg 0.63 mb
Product Position

Name: File type: Size:
jk50mtdp_22kw_lnv.dwg .dwg 0.62 mb
Product Position

Name: File type: Size:
jk50mtdp_22kw_lo.dwg .dwg 0.52 mb
Product Position

Name: File type: Size:
jk50mtdp_22kw_lsv.dwg .dwg 0.61 mb
Product Position

Name: File type: Size:
jk50mtdp_22kw_lv.dwg .dwg 0.52 mb
Product Position

Name: File type: Size:
jk50mtdp_22kw_rn.dwg .dwg 0.53 mb
Product Position

Name: File type: Size:
jk50mtdp_22kw_rno.dwg .dwg 0.62 mb
Product Position

Name: File type: Size:
jk50mtdp_22kw_rnv.dwg .dwg 0.63 mb
Product Position

Name: File type: Size:
jk50mtdp_22kw_ro.dwg .dwg 0.52 mb
Product Position

Name: File type: Size:
jk50mtdp_22kw_rso.dwg .dwg 0.61 mb
Product Position

Name: File type: Size:
jk50mtdp_22kw_rv.dwg .dwg 0.63 mb
Product Position

Name: File type: Size:
jk50mtdp_22kw_ln.stp .stp 6.57 mb
Product Position

Name: File type: Size:
jk50mtdp_22kw_lno.stp .stp 6.16 mb
Product Position

Name: File type: Size:
jk50mtdp_22kw_lnv.stp .stp 6.14 mb
Product Position

Name: File type: Size:
jk50mtdp_22kw_lo.stp .stp 6.45 mb
Product Position

Name: File type: Size:
jk50mtdp_22kw_lsv.stp .stp 6.09 mb
Product Position

Name: File type: Size:
jk50mtdp_22kw_lv.stp .stp 6.25 mb
Product Position

Name: File type: Size:
jk50mtdp_22kw_rn.stp .stp 6.64 mb
Product Position

Name: File type: Size:
jk50mtdp_22kw_rno.stp .stp 6.78 mb
Product Position

Name: File type: Size:
jk50mtdp_22kw_rnv.stp .stp 6.85 mb
Product Position

Name: File type: Size:
jk50mtdp_22kw_ro.stp .stp 6.83 mb
Product Position

Name: File type: Size:
jk50mtdp_22kw_rso.stp .stp 6.08 mb
Product Position

Name: File type: Size:
jk50mtdp_22kw_rv.stp .stp 6.98 mb
Category File

Name: File type: Size:
Hoyer_Motor_Manual.pdf .pdf 1.95 mb
Category File

Name: File type: Size:
User_manual.pdf .pdf 3.78 mb
Category File

Name: File type: Size:
mont_jk50mtdp_22kw.pdf .pdf 3.08 mb
JK-MTDP1.PNG
JK-MTDP2.PNG
JK-MTDPint.PNG

Related products

...
JK-50MTD

Fan systems

See product
...
JK-70MTDP

Fan systems

See product
...
JK-80MTDP

Fan systems

See product
...
JK-90MTDP

Fan systems

See product

Configure your own solution with our tools

Icon
Interested in more?

Contact us today for a free consultation! Our team of experts will be happy to discuss your dust control challenges and answer any questions you may have. Let us show you how a custom-designed Solution Sales approach can transform your workplace and revolutionize your approach to dust extraction.

Contact us