JK-35D

The direct drive centrifugal fan types JK-D are designed for material handling.

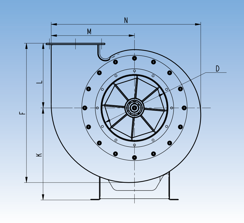
Equipped with self-cleaning impellers with backward-inclined blades and aerodynamic intake. The impellers are statically and dynamically balanced.

Max. internal operating temperature: 60°C

Number of blades are reduced by 2 for paper impeller.

Available in stainless steel inlet and explosion-proof (Eex) motor.

The inlet (D) is supplied with flange as standard.

If the fan is mounted in an acoustic booth, it is supplied with smooth inlet.

Specific dimensions for the outlet flanges can be found under “Flanges”.


Name: File type: Size:
jk35d_11kw-b5_160m1_ln.dwg .dwg 1.32 mb

Name: File type: Size:
jk35d_11kw-b5_160m1_lo.dwg .dwg 1.38 mb

Name: File type: Size:
jk35d_11kw-b5_160m1_lv.dwg .dwg 1.31 mb

Name: File type: Size:
jk35d_11kw-b5_160m1_rn.dwg .dwg 1.31 mb

Name: File type: Size:
jk35d_11kw-b5_160m1_ro.dwg .dwg 1.31 mb

Name: File type: Size:
jk35d_11kw-b5_160m1_rv.dwg .dwg 1.31 mb

Name: File type: Size:
jk35d_11kw_ln.dwg .dwg 267.0 kb

Name: File type: Size:
jk35d_11kw_lo.dwg .dwg 261.71 kb

Name: File type: Size:
jk35d_11kw_lv.dwg .dwg 269.04 kb

Name: File type: Size:
jk35d_11kw_rn.dwg .dwg 265.9 kb

Name: File type: Size:
jk35d_11kw_ro.dwg .dwg 264.28 kb

Name: File type: Size:
jk35d_11kw_rv.dwg .dwg 266.83 kb

Name: File type: Size:
jk35d_15kw-b5_160l_ln.dwg .dwg 1.31 mb

Name: File type: Size:
jk35d_15kw-b5_160l_lo.dwg .dwg 1.37 mb

Name: File type: Size:
jk35d_15kw-b5_160l_lv.dwg .dwg 1.3 mb

Name: File type: Size:
jk35d_15kw-b5_160l_rn.dwg .dwg 1.3 mb

Name: File type: Size:
jk35d_15kw-b5_160l_ro.dwg .dwg 1.3 mb

Name: File type: Size:
jk35d_15kw-b5_160l_rv.dwg .dwg 1.3 mb

Name: File type: Size:
jk35d_15kw-b5_160m2_ln.dwg .dwg 1.32 mb

Name: File type: Size:
jk35d_15kw-b5_160m2_lo.dwg .dwg 1.38 mb

Name: File type: Size:
jk35d_15kw-b5_160m2_lv.dwg .dwg 1.31 mb

Name: File type: Size:
jk35d_15kw-b5_160m2_rn.dwg .dwg 1.31 mb

Name: File type: Size:
jk35d_15kw-b5_160m2_ro.dwg .dwg 1.31 mb

Name: File type: Size:
jk35d_15kw-b5_160m2_rv.dwg .dwg 1.31 mb


Name: File type: Size:
jk-35d_r_11kw-b5_160m1_ln.stp .stp 9.11 mb

Name: File type: Size:
jk-35d_r_11kw-b5_160m1_lo.stp .stp 7.5 mb

Name: File type: Size:
jk-35d_r_11kw-b5_160m1_lv.stp .stp 7.52 mb

Name: File type: Size:
jk-35d_r_11kw-b5_160m1_rn.stp .stp 7.53 mb

Name: File type: Size:
jk-35d_r_11kw-b5_160m1_ro.stp .stp 7.51 mb

Name: File type: Size:
jk-35d_r_11kw-b5_160m1_rv.stp .stp 7.48 mb

Name: File type: Size:
jk-35d_r_15kw-b5_160l_ln.stp .stp 6.69 mb

Name: File type: Size:
jk-35d_r_15kw-b5_160l_lo.stp .stp 6.69 mb

Name: File type: Size:
jk-35d_r_15kw-b5_160l_lv.stp .stp 6.69 mb

Name: File type: Size:
jk-35d_r_15kw-b5_160l_rn.stp .stp 6.69 mb

Name: File type: Size:
jk-35d_r_15kw-b5_160l_ro.stp .stp 6.68 mb

Name: File type: Size:
jk-35d_r_15kw-b5_160l_rv.stp .stp 6.71 mb

Name: File type: Size:
jk35d_r_11kw-ln.stp .stp 8.49 mb

Name: File type: Size:
jk35d_r_11kw-rv.stp .stp 8.47 mb

Name: File type: Size:
jk35d_r_11kw_lo.stp .stp 8.6 mb

Name: File type: Size:
jk35d_r_11kw_lv.stp .stp 8.45 mb

Name: File type: Size:
jk35d_r_11kw_rn.stp .stp 8.46 mb

Name: File type: Size:
jk35d_r_11kw_ro.stp .stp 8.4 mb


Name: File type: Size:
mont_jk35d.pdf .pdf 1.09 mb

Name: File type: Size:
User_manual.pdf .pdf 3.78 mb
Fan systems brochure
JK-35D data sheet

Read all about JK-35D

Fan systems brochure
JK-35D data sheet

Read all about JK-35D


Name: File type: Size:
jk35d_11kw-b5_160m1_ln.dwg .dwg 1.32 mb

Name: File type: Size:
jk35d_11kw-b5_160m1_lo.dwg .dwg 1.38 mb

Name: File type: Size:
jk35d_11kw-b5_160m1_lv.dwg .dwg 1.31 mb

Name: File type: Size:
jk35d_11kw-b5_160m1_rn.dwg .dwg 1.31 mb

Name: File type: Size:
jk35d_11kw-b5_160m1_ro.dwg .dwg 1.31 mb

Name: File type: Size:
jk35d_11kw-b5_160m1_rv.dwg .dwg 1.31 mb

Name: File type: Size:
jk35d_11kw_ln.dwg .dwg 267.0 kb

Name: File type: Size:
jk35d_11kw_lo.dwg .dwg 261.71 kb

Name: File type: Size:
jk35d_11kw_lv.dwg .dwg 269.04 kb

Name: File type: Size:
jk35d_11kw_rn.dwg .dwg 265.9 kb

Name: File type: Size:
jk35d_11kw_ro.dwg .dwg 264.28 kb

Name: File type: Size:
jk35d_11kw_rv.dwg .dwg 266.83 kb

Name: File type: Size:
jk35d_15kw-b5_160l_ln.dwg .dwg 1.31 mb

Name: File type: Size:
jk35d_15kw-b5_160l_lo.dwg .dwg 1.37 mb

Name: File type: Size:
jk35d_15kw-b5_160l_lv.dwg .dwg 1.3 mb

Name: File type: Size:
jk35d_15kw-b5_160l_rn.dwg .dwg 1.3 mb

Name: File type: Size:
jk35d_15kw-b5_160l_ro.dwg .dwg 1.3 mb

Name: File type: Size:
jk35d_15kw-b5_160l_rv.dwg .dwg 1.3 mb

Name: File type: Size:
jk35d_15kw-b5_160m2_ln.dwg .dwg 1.32 mb

Name: File type: Size:
jk35d_15kw-b5_160m2_lo.dwg .dwg 1.38 mb

Name: File type: Size:
jk35d_15kw-b5_160m2_lv.dwg .dwg 1.31 mb

Name: File type: Size:
jk35d_15kw-b5_160m2_rn.dwg .dwg 1.31 mb

Name: File type: Size:
jk35d_15kw-b5_160m2_ro.dwg .dwg 1.31 mb

Name: File type: Size:
jk35d_15kw-b5_160m2_rv.dwg .dwg 1.31 mb

Name: File type: Size:
jk-35d_r_11kw-b5_160m1_ln.stp .stp 9.11 mb

Name: File type: Size:
jk-35d_r_11kw-b5_160m1_lo.stp .stp 7.5 mb

Name: File type: Size:
jk-35d_r_11kw-b5_160m1_lv.stp .stp 7.52 mb

Name: File type: Size:
jk-35d_r_11kw-b5_160m1_rn.stp .stp 7.53 mb

Name: File type: Size:
jk-35d_r_11kw-b5_160m1_ro.stp .stp 7.51 mb

Name: File type: Size:
jk-35d_r_11kw-b5_160m1_rv.stp .stp 7.48 mb

Name: File type: Size:
jk-35d_r_15kw-b5_160l_ln.stp .stp 6.69 mb

Name: File type: Size:
jk-35d_r_15kw-b5_160l_lo.stp .stp 6.69 mb

Name: File type: Size:
jk-35d_r_15kw-b5_160l_lv.stp .stp 6.69 mb

Name: File type: Size:
jk-35d_r_15kw-b5_160l_rn.stp .stp 6.69 mb

Name: File type: Size:
jk-35d_r_15kw-b5_160l_ro.stp .stp 6.68 mb

Name: File type: Size:
jk-35d_r_15kw-b5_160l_rv.stp .stp 6.71 mb

Name: File type: Size:
jk35d_r_11kw-ln.stp .stp 8.49 mb

Name: File type: Size:
jk35d_r_11kw-rv.stp .stp 8.47 mb

Name: File type: Size:
jk35d_r_11kw_lo.stp .stp 8.6 mb

Name: File type: Size:
jk35d_r_11kw_lv.stp .stp 8.45 mb

Name: File type: Size:
jk35d_r_11kw_rn.stp .stp 8.46 mb

Name: File type: Size:
jk35d_r_11kw_ro.stp .stp 8.4 mb

Name: File type: Size:
mont_jk35d.pdf .pdf 1.09 mb

Name: File type: Size:
User_manual.pdf .pdf 3.78 mb
JK-35D Fan Dimension B
JK-35D Fan Dimension A
JK-35D Fan Dimension C

Related products

...
JK-25D

Fan systems

See product
...
JK-30D

Fan systems

See product
...
JK-50MTD

Fan systems

See product
...
JK-55MTD

Fan systems

See product

Configure your own solution with our tools

Icon
Interested in more?

Contact us today for a free consultation! Our team of experts will be happy to discuss your dust control challenges and answer any questions you may have. Let us show you how a custom-designed Solution Sales approach can transform your workplace and revolutionize your approach to dust extraction.

Contact us