JK-50MT

The indirect drive centrifugal fan types JK-30MT - JK-100MT are designed for transport of clean air.

Equipped with self-cleaning impellers with backward-inclined blades and aerodynamic intake. The impellers are statically and dynamically balanced.

The pulleys are shaft-mounted with taperlock bushing, allowing easy replacement for changed fan speed.

Max. internal operating temperature: 60°C

With cooling wings: Up to 200°C

Available in stainless steel inlet and explosion-proof (Eex) motor.

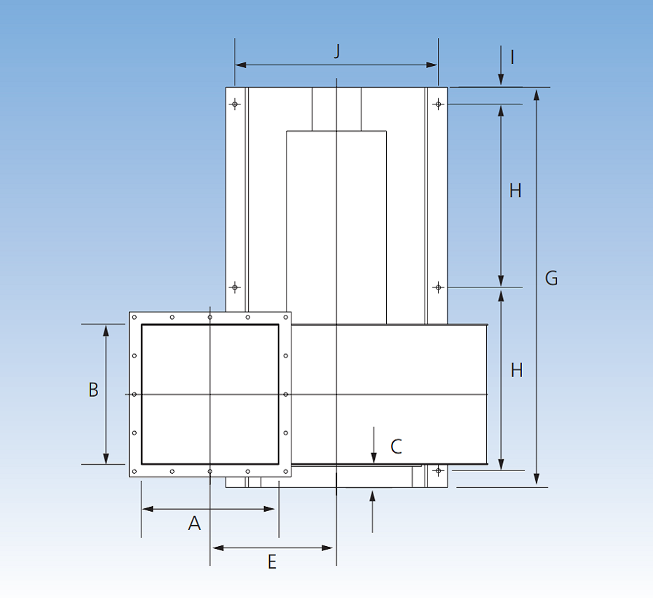
Dimensions (D) for the inlet are external. Supplied with flange as standard.

Belt drive is anti-static.

Catégorie Position

Name: File type: Size:
jk50mt_11kw_ln.dwg .dwg 0.61 mb
Catégorie Position

Name: File type: Size:
jk50mt_11kw_lno.dwg .dwg 0.71 mb
Catégorie Position

Name: File type: Size:
jk50mt_11kw_lnv.dwg .dwg 0.71 mb
Catégorie Position

Name: File type: Size:
jk50mt_11kw_lo.dwg .dwg 0.61 mb
Catégorie Position

Name: File type: Size:
jk50mt_11kw_lsv.dwg .dwg 0.71 mb
Catégorie Position

Name: File type: Size:
jk50mt_11kw_lv.dwg .dwg 0.61 mb
Catégorie Position

Name: File type: Size:
jk50mt_11kw_rn.dwg .dwg 0.61 mb
Catégorie Position

Name: File type: Size:
jk50mt_11kw_rno.dwg .dwg 0.71 mb
Catégorie Position

Name: File type: Size:
jk50mt_11kw_rnv.dwg .dwg 0.71 mb
Catégorie Position

Name: File type: Size:
jk50mt_11kw_ro.dwg .dwg 0.61 mb
Catégorie Position

Name: File type: Size:
jk50mt_11kw_rso.dwg .dwg 0.71 mb
Catégorie Position

Name: File type: Size:
jk50mt_11kw_rv.dwg .dwg 0.61 mb

Catégorie Position

Name: File type: Size:
jk50mt_11kw_ln.stp .stp 5.13 mb
Catégorie Position

Name: File type: Size:
jk50mt_11kw_lno.stp .stp 5.22 mb
Catégorie Position

Name: File type: Size:
jk50mt_11kw_lnv.stp .stp 5.09 mb
Catégorie Position

Name: File type: Size:
jk50mt_11kw_lo.stp .stp 5.11 mb
Catégorie Position

Name: File type: Size:
jk50mt_11kw_lsv.stp .stp 5.08 mb
Catégorie Position

Name: File type: Size:
jk50mt_11kw_lv.stp .stp 5.19 mb
Catégorie Position

Name: File type: Size:
jk50mt_11kw_rn.stp .stp 5.13 mb
Catégorie Position

Name: File type: Size:
jk50mt_11kw_rno.stp .stp 5.11 mb
Catégorie Position

Name: File type: Size:
jk50mt_11kw_rnv.stp .stp 5.2 mb
Catégorie Position

Name: File type: Size:
jk50mt_11kw_ro.stp .stp 5.18 mb
Catégorie Position

Name: File type: Size:
jk50mt_11kw_rso.stp .stp 5.06 mb
Catégorie Position

Name: File type: Size:
jk50mt_11kw_rv.stp .stp 5.11 mb


Name: File type: Size:
D100058_Fitting_and_service_instructions_for_taper_lock_bushings_pulleys_and_drive_belts.pdf .pdf 2.79 mb

Name: File type: Size:
Declaration_of_conformity.pdf .pdf 121.46 kb

Name: File type: Size:
Hoyer_Motor_Manual.pdf .pdf 1.95 mb

Name: File type: Size:
User_manual.pdf .pdf 3.78 mb

Name: File type: Size:
mont_jk50mt.pdf .pdf 6.48 mb
Filter brochure
JK-50MT data sheet

Read all about JK-50MT

Filter brochure
JK-50MT data sheet

Read all about JK-50MT

Product Position

Name: File type: Size:
jk50mt_11kw_ln.dwg .dwg 0.61 mb
Product Position

Name: File type: Size:
jk50mt_11kw_lno.dwg .dwg 0.71 mb
Product Position

Name: File type: Size:
jk50mt_11kw_lnv.dwg .dwg 0.71 mb
Product Position

Name: File type: Size:
jk50mt_11kw_lo.dwg .dwg 0.61 mb
Product Position

Name: File type: Size:
jk50mt_11kw_lsv.dwg .dwg 0.71 mb
Product Position

Name: File type: Size:
jk50mt_11kw_lv.dwg .dwg 0.61 mb
Product Position

Name: File type: Size:
jk50mt_11kw_rn.dwg .dwg 0.61 mb
Product Position

Name: File type: Size:
jk50mt_11kw_rno.dwg .dwg 0.71 mb
Product Position

Name: File type: Size:
jk50mt_11kw_rnv.dwg .dwg 0.71 mb
Product Position

Name: File type: Size:
jk50mt_11kw_ro.dwg .dwg 0.61 mb
Product Position

Name: File type: Size:
jk50mt_11kw_rso.dwg .dwg 0.71 mb
Product Position

Name: File type: Size:
jk50mt_11kw_rv.dwg .dwg 0.61 mb
Product Position

Name: File type: Size:
jk50mt_11kw_ln.stp .stp 5.13 mb
Product Position

Name: File type: Size:
jk50mt_11kw_lno.stp .stp 5.22 mb
Product Position

Name: File type: Size:
jk50mt_11kw_lnv.stp .stp 5.09 mb
Product Position

Name: File type: Size:
jk50mt_11kw_lo.stp .stp 5.11 mb
Product Position

Name: File type: Size:
jk50mt_11kw_lsv.stp .stp 5.08 mb
Product Position

Name: File type: Size:
jk50mt_11kw_lv.stp .stp 5.19 mb
Product Position

Name: File type: Size:
jk50mt_11kw_rn.stp .stp 5.13 mb
Product Position

Name: File type: Size:
jk50mt_11kw_rno.stp .stp 5.11 mb
Product Position

Name: File type: Size:
jk50mt_11kw_rnv.stp .stp 5.2 mb
Product Position

Name: File type: Size:
jk50mt_11kw_ro.stp .stp 5.18 mb
Product Position

Name: File type: Size:
jk50mt_11kw_rso.stp .stp 5.06 mb
Product Position

Name: File type: Size:
jk50mt_11kw_rv.stp .stp 5.11 mb
Catégorie Fichier

Name: File type: Size:
D100058_Fitting_and_service_instructions_for_taper_lock_bushings_pulleys_and_drive_belts.pdf .pdf 2.79 mb
Catégorie Fichier

Name: File type: Size:
Declaration_of_conformity.pdf .pdf 121.46 kb
Catégorie Fichier

Name: File type: Size:
Hoyer_Motor_Manual.pdf .pdf 1.95 mb
Catégorie Fichier

Name: File type: Size:
User_manual.pdf .pdf 3.78 mb
Catégorie Fichier

Name: File type: Size:
mont_jk50mt.pdf .pdf 6.48 mb
JK-MT1.PNG
JK-MT2.PNG
JK-MTint.PNG

Produits connexes

...
JK-50MTD

Systèmes de ventilateurs

See product
...
JK-50MTDP

Systèmes de ventilateurs

See product
...
JK-80MT

Systèmes de ventilateurs

See product
...
JK-90MT

Systèmes de ventilateurs

See product

Configure your own solution with our tools

Icon
Vous souhaitez en savoir plus ?

Contactez-nous dès aujourd'hui pour une consultation gratuite ! Notre équipe d'experts sera ravie de discuter de vos défis en matière de contrôle des poussières et de répondre à toutes vos questions. Laissez-nous vous montrer comment une approche de vente de solutions sur mesure peut transformer votre lieu de travail et révolutionner votre approche du dépoussiérage.

Contactez nous