JK-45K

The indirect drive centrifugal fan types JK-30K - JK-75K are designed for material handling.

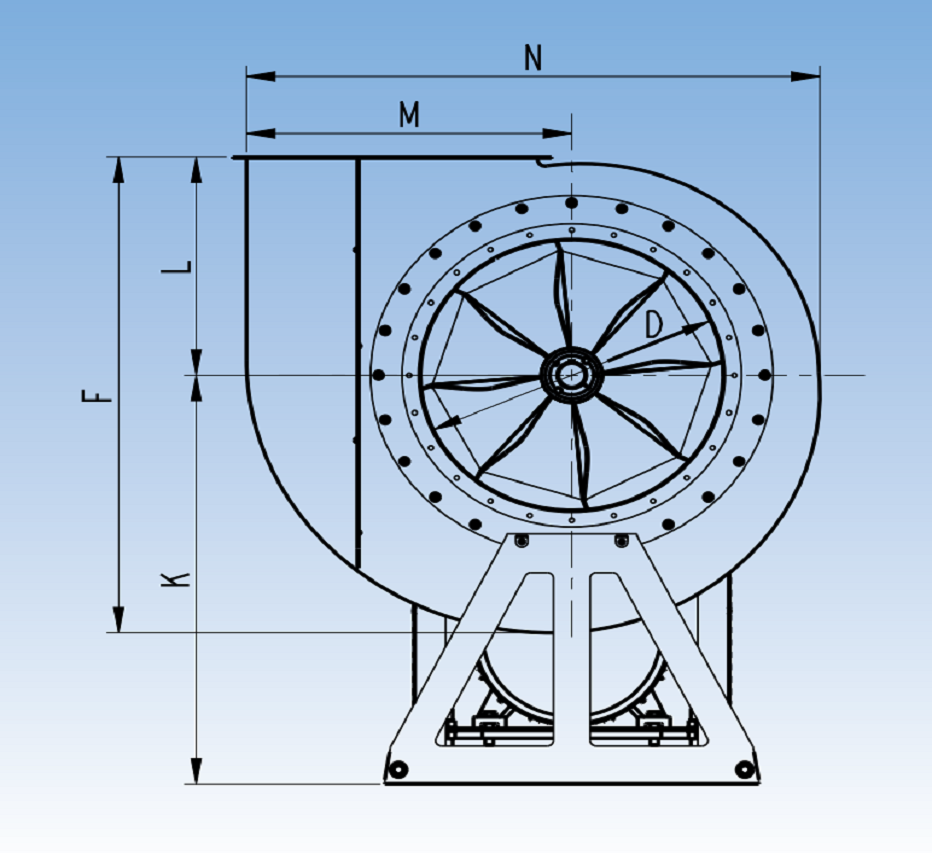
Equipped with self-cleaning impellers with backward-inclined blades and aerodynamic intake. The impellers are statically and dynamically balanced.

The pulleys are shaft-mounted with taperlock bushing, allowing easy replacement for changed fan speed.

Max. internal operating temperature: 60°C

With cooling wings: Up to 200°C

Number of blades are reduced by 2 for paper impeller.

Available with stainless steel inlet and explosion-proof (Eex) motor.

The inlet (D) is supplied with flange as standard.

If the fan is mounted in an acoustic booth, it is supplied with smooth inlet.

Belt drive is anti-static.

Kategoria Position

Name: File type: Size:
jk45k_18-5kw_ln.dwg .dwg 0.86 mb
Kategoria Position

Name: File type: Size:
jk45k_18-5kw_lno.dwg .dwg 0.93 mb
Kategoria Position

Name: File type: Size:
jk45k_18-5kw_lnv.dwg .dwg 0.92 mb
Kategoria Position

Name: File type: Size:
jk45k_18-5kw_lo.dwg .dwg 0.86 mb
Kategoria Position

Name: File type: Size:
jk45k_18-5kw_lsv.dwg .dwg 0.91 mb
Kategoria Position

Name: File type: Size:
jk45k_18-5kw_lv.dwg .dwg 0.86 mb
Kategoria Position

Name: File type: Size:
jk45k_18-5kw_rn.dwg .dwg 0.86 mb
Kategoria Position

Name: File type: Size:
jk45k_18-5kw_rno.dwg .dwg 0.93 mb
Kategoria Position

Name: File type: Size:
jk45k_18-5kw_rnv.dwg .dwg 0.92 mb
Kategoria Position

Name: File type: Size:
jk45k_18-5kw_ro.dwg .dwg 0.86 mb
Kategoria Position

Name: File type: Size:
jk45k_18-5kw_rso.dwg .dwg 0.92 mb
Kategoria Position

Name: File type: Size:
jk45k_18-5kw_rv.dwg .dwg 0.86 mb

Kategoria Position

Name: File type: Size:
jk45k_18-5kw_ln.stp .stp 4.82 mb
Kategoria Position

Name: File type: Size:
jk45k_18-5kw_lno.stp .stp 4.89 mb
Kategoria Position

Name: File type: Size:
jk45k_18-5kw_lnv.stp .stp 4.9 mb
Kategoria Position

Name: File type: Size:
jk45k_18-5kw_lo.stp .stp 4.78 mb
Kategoria Position

Name: File type: Size:
jk45k_18-5kw_lsv.stp .stp 4.75 mb
Kategoria Position

Name: File type: Size:
jk45k_18-5kw_lv.stp .stp 4.9 mb
Kategoria Position

Name: File type: Size:
jk45k_18-5kw_rn.stp .stp 4.82 mb
Kategoria Position

Name: File type: Size:
jk45k_18-5kw_rno.stp .stp 4.89 mb
Kategoria Position

Name: File type: Size:
jk45k_18-5kw_rnv.stp .stp 4.89 mb
Kategoria Position

Name: File type: Size:
jk45k_18-5kw_ro.stp .stp 4.9 mb
Kategoria Position

Name: File type: Size:
jk45k_18-5kw_rso.stp .stp 4.74 mb
Kategoria Position

Name: File type: Size:
jk45k_18-5kw_rv.stp .stp 4.76 mb


Name: File type: Size:
D100058_Fitting_and_service_instructions_for_taper_lock_bushings_pulleys_and_drive_belts.pdf .pdf 2.79 mb

Name: File type: Size:
Hoyer_Motor_Manual.pdf .pdf 1.95 mb

Name: File type: Size:
User_manual.pdf .pdf 3.78 mb

Name: File type: Size:
mont_jk45k.pdf .pdf 5.9 mb
Filter brochure
JK-45K data sheet

Read all about JK-45K

Filter brochure
JK-45K data sheet

Read all about JK-45K

Product Position

Name: File type: Size:
jk45k_18-5kw_ln.dwg .dwg 0.86 mb
Product Position

Name: File type: Size:
jk45k_18-5kw_lno.dwg .dwg 0.93 mb
Product Position

Name: File type: Size:
jk45k_18-5kw_lnv.dwg .dwg 0.92 mb
Product Position

Name: File type: Size:
jk45k_18-5kw_lo.dwg .dwg 0.86 mb
Product Position

Name: File type: Size:
jk45k_18-5kw_lsv.dwg .dwg 0.91 mb
Product Position

Name: File type: Size:
jk45k_18-5kw_lv.dwg .dwg 0.86 mb
Product Position

Name: File type: Size:
jk45k_18-5kw_rn.dwg .dwg 0.86 mb
Product Position

Name: File type: Size:
jk45k_18-5kw_rno.dwg .dwg 0.93 mb
Product Position

Name: File type: Size:
jk45k_18-5kw_rnv.dwg .dwg 0.92 mb
Product Position

Name: File type: Size:
jk45k_18-5kw_ro.dwg .dwg 0.86 mb
Product Position

Name: File type: Size:
jk45k_18-5kw_rso.dwg .dwg 0.92 mb
Product Position

Name: File type: Size:
jk45k_18-5kw_rv.dwg .dwg 0.86 mb
Product Position

Name: File type: Size:
jk45k_18-5kw_ln.stp .stp 4.82 mb
Product Position

Name: File type: Size:
jk45k_18-5kw_lno.stp .stp 4.89 mb
Product Position

Name: File type: Size:
jk45k_18-5kw_lnv.stp .stp 4.9 mb
Product Position

Name: File type: Size:
jk45k_18-5kw_lo.stp .stp 4.78 mb
Product Position

Name: File type: Size:
jk45k_18-5kw_lsv.stp .stp 4.75 mb
Product Position

Name: File type: Size:
jk45k_18-5kw_lv.stp .stp 4.9 mb
Product Position

Name: File type: Size:
jk45k_18-5kw_rn.stp .stp 4.82 mb
Product Position

Name: File type: Size:
jk45k_18-5kw_rno.stp .stp 4.89 mb
Product Position

Name: File type: Size:
jk45k_18-5kw_rnv.stp .stp 4.89 mb
Product Position

Name: File type: Size:
jk45k_18-5kw_ro.stp .stp 4.9 mb
Product Position

Name: File type: Size:
jk45k_18-5kw_rso.stp .stp 4.74 mb
Product Position

Name: File type: Size:
jk45k_18-5kw_rv.stp .stp 4.76 mb
Kategoria Plik

Name: File type: Size:
D100058_Fitting_and_service_instructions_for_taper_lock_bushings_pulleys_and_drive_belts.pdf .pdf 2.79 mb
Kategoria Plik

Name: File type: Size:
Hoyer_Motor_Manual.pdf .pdf 1.95 mb
Kategoria Plik

Name: File type: Size:
User_manual.pdf .pdf 3.78 mb
Kategoria Plik

Name: File type: Size:
mont_jk45k.pdf .pdf 5.9 mb
JK-K1.PNG
JK-K2.PNG
JK-Kint.PNG

Produkty powiązane

...
JK-40K

Systemy wentylatorów

See product
...
JK-55K

Systemy wentylatorów

See product
...
JK-75K

Systemy wentylatorów

See product

Configure your own solution with our tools

Icon
Chcesz więcej?

Skontaktuj się z nami już dziś, aby uzyskać bezpłatną konsultację! Nasz zespół ekspertów z przyjemnością omówi Twoje wyzwania związane z kontrolą zapylenia i odpowie na wszelkie pytania. Pozwól nam pokazać, jak indywidualnie zaprojektowane podejście do sprzedaży rozwiązań może odmienić Twoje miejsce pracy i zrewolucjonizować Twoje podejście do odsysania pyłu.

Skontaktuj się z nami